 
Main Menu
|
Nevada Classics
|
Advertise at CC
|
| S |
M |
T |
W |
T |
F |
S |
| |
|
|
|
|
1 |
2 |
| 3 |
4 |
5 |
6 |
7 |
8 |
9 |
| 10 |
11 |
12 |
13 |
14 |
15 |
16 |
| 17 |
18 |
19 |
20 |
21 |
22 |
23 |
| 24 |
25 |
26 |
27 |
28 |
29 |
30 |
| 31 |
|
|
|
|
|
|
|
CC Advertisers
|
|

02-16-2015, 08:04 AM
|
 |
CC Member
|
|
|
Join Date: Apr 2009
Location: Little Rock area,
AR
Cobra Make, Engine: ERA Street Roadster #782 with 459 cu in FE KC engine, toploader, 3.31
Posts: 4,533
|
|
Not Ranked
Turn signals blowing fuse #4 - ERA 782
Thought I should start a new thread on this subject since this problem may not be self-induced and might be of help to someone some day.
To re-cap - blowing the #4 fuse when turn signals are used which also powers off the voltage regulator - and charging. The fast blow fuses to the rear are not affected. The other fuses linked to #4 don't appear affected.
Returned from some more testing - pulled the turn signal leads to the front turn signals and still blew the fuse with a left turn signal (key on but parking lights off)
I reconnected the wires, replaced the fuse and tried a right turn signal. They worked OK and fuse did not blow. Tried left again and as soon as I heard the flasher click the fuse blew.
Pulled the bracket for the flasher and trailer relay down and released the wire harnesss to look everything over. Can't see any obvious sign of pinching, bare connectors or anything.
Probably not the flasher as it doesn't have Lt/Rt circuits. Kind of sounds like it's poining to the turn signal itself?
Suggestions?
thanks
|

02-16-2015, 08:36 AM
|
 |
CC Member
|
|
|
Join Date: Apr 2009
Location: Little Rock area,
AR
Cobra Make, Engine: ERA Street Roadster #782 with 459 cu in FE KC engine, toploader, 3.31
Posts: 4,533
|
|
Not Ranked
Disconnected the trun signal power lead to front PL and the yellow lead from the turn signal switch and tested for continuity between both ends - tested OK for continuity. Tested both ends to ground and meter was silent.
Assuming from this there isn't a short in the run to the front bulb.
Edit: OK, think I made some progress. The only other power into the turn signal switch is from the headlight dimmer relay. I disconnected the Tan/White stripe wire from the headlight dimmer relay from the turn signal switch and the turn signals work OK. So, I assume that might indicate a bad headlight flasher relay? Or possibly still a faulty turn signal switch? Any idea how to figure out which one?
Last edited by DanEC; 02-16-2015 at 09:02 AM..
|

02-16-2015, 10:43 AM
|
|
CC Member
|
|
|
Join Date: Nov 2003
Location: New Britain,
CT
Cobra Make, Engine: Size 10 Feet
Posts: 3,031
|
|
Not Ranked
The headlight dimmer relay is only connected to the headlight circuit. Nothing there is connected to the signals. That would indicate something really weird happening within the signal wand. Considering the headlight flasher switch wiring is completely independent of the signal circuits (theoretically), the likeliest thing is a pinched wire. Did I ever send you a new wire module from the under-dash module to the main harness?
|

02-16-2015, 10:44 AM
|
 |
Half-Ass Member
|
|
|
Join Date: Jun 2005
Cobra Make, Engine: ERA #732, 428FE (447 CID), TKO600, Solid Flat Tappet Cam, Tons of Aluminum
Posts: 22,025
|
|
Not Ranked
Do your headlights work normally and flash on/off with the little button on the turn signal wand?
|

02-16-2015, 10:51 AM
|
 |
CC Member
|
|
|
Join Date: Apr 2009
Location: Little Rock area,
AR
Cobra Make, Engine: ERA Street Roadster #782 with 459 cu in FE KC engine, toploader, 3.31
Posts: 4,533
|
|
Not Ranked
Noticed the alert on ERA's Owners Private Downloads page about some bad headlight dimmer relays getting out. I don't seem to be having the exact issues mentioned in the alert but I haven't used my headlights much. I will turn the HL on and run through a few dimmer/high beam signals and see if anything shows up.
Also found the test procedure for the turn signal switch but as long as the HL dimmer lead to the switch is disconnected it works OK. I think that probably points to the dimmer power shorting to the left turn signal lead - maybe?
Apparently power is flowing from the HL dimmer relay to the dimmer switch or it wouldn't be shorting the turn signal. I guess that would be the main test that it's working. However, should it be sending power to the switch if the headlihghts are off?
|

02-16-2015, 10:56 AM
|
 |
CC Member
|
|
|
Join Date: Apr 2009
Location: Little Rock area,
AR
Cobra Make, Engine: ERA Street Roadster #782 with 459 cu in FE KC engine, toploader, 3.31
Posts: 4,533
|
|
Not Ranked
Quote:
Originally Posted by patrickt
Do your headlights work normally and flash on/off with the little button on the turn signal wand?
|
Just tried them and they work OK.
|

02-16-2015, 10:56 AM
|
 |
Half-Ass Member
|
|
|
Join Date: Jun 2005
Cobra Make, Engine: ERA #732, 428FE (447 CID), TKO600, Solid Flat Tappet Cam, Tons of Aluminum
Posts: 22,025
|
|
Not Ranked
I guess you don't want to just pull your turn signal off the steering column and test it off the column, do you?
|

02-16-2015, 11:08 AM
|
 |
CC Member
|
|
|
Join Date: Apr 2009
Location: Little Rock area,
AR
Cobra Make, Engine: ERA Street Roadster #782 with 459 cu in FE KC engine, toploader, 3.31
Posts: 4,533
|
|
Not Ranked
Quote:
Originally Posted by patrickt
I guess you don't want to just pull your turn signal off the steering column and test it off the column, do you?
|
I think first I'm going to disconnect the wire from the dimmer relay and run the turn signals in both directions and see if I pick up some voltage on it when I turn the left signal on. I'll also check if the other side feeds power through the relay to the switch even when the HLs are off. At leas then I will pretty much understand how everything works.
Probably at that point I'm going to pull the wheel and the switch out to test.
Stay tuned.
|

02-16-2015, 11:19 AM
|
 |
CC Member
|
|
|
Join Date: Apr 2009
Location: Little Rock area,
AR
Cobra Make, Engine: ERA Street Roadster #782 with 459 cu in FE KC engine, toploader, 3.31
Posts: 4,533
|
|
Not Ranked
Surprisingly with the tan wire from the dimmer relay disconnected - I don't pick up any significant voltage from the switch side when running the left turn signal. I thought sure I would pick up shorted voltage through it. Nothing on the relay side either.
And it is 0-volts when HLs are off.
|

02-16-2015, 11:22 AM
|
 |
CC Member
|
|
|
Join Date: Apr 2009
Location: Little Rock area,
AR
Cobra Make, Engine: ERA Street Roadster #782 with 459 cu in FE KC engine, toploader, 3.31
Posts: 4,533
|
|
Not Ranked
Crap - it fixed itself (temporarily). Turn signals don't blow the fuse now. Nothing like an intermittent fault to worry about.
|

02-16-2015, 11:27 AM
|
 |
Half-Ass Member
|
|
|
Join Date: Jun 2005
Cobra Make, Engine: ERA #732, 428FE (447 CID), TKO600, Solid Flat Tappet Cam, Tons of Aluminum
Posts: 22,025
|
|
Not Ranked
Quote:
Originally Posted by DanEC
Crap - it fixed itself (temporarily). Turn signals don't blow the fuse now. Nothing like an intermittent fault to worry about.
|
That's actually good. You jiggled a wire, or jiggled something, that cleared the fault -- you can jiggle it back. Put a 12v trouble light on the fused side of #4, so that it's lit when the fuse is good, and so that you can see it easily. Then turn your signal lights on and start wiggling stuff until you see your trouble light go out.
|

02-16-2015, 01:17 PM
|
 |
CC Member
|
|
|
Join Date: Apr 2009
Location: Little Rock area,
AR
Cobra Make, Engine: ERA Street Roadster #782 with 459 cu in FE KC engine, toploader, 3.31
Posts: 4,533
|
|
Not Ranked
No luck - I messed around with it some more - even pulled the steering wheel hub and loosened the switch to move it around. The switch appears to be a sealed unit so I don't think there is much I can do there. I made up a baggie of spare fuses to keep in my glove box and I think that is all I can do for now. Not completely satisfying. 
|

02-17-2015, 01:29 PM
|
|
CC Member
|
|
|
Join Date: Oct 2013
Location: Columbus,
OH
Cobra Make, Engine: ERA 714
Posts: 713
|
|
Not Ranked
Dan,
You made me nervous so I went out and checked my LED turn signals and they worked. It could be something in the flasher itself.
Phil
|

02-17-2015, 03:16 PM
|
 |
CC Member
|
|
|
Join Date: Apr 2009
Location: Little Rock area,
AR
Cobra Make, Engine: ERA Street Roadster #782 with 459 cu in FE KC engine, toploader, 3.31
Posts: 4,533
|
|
Not Ranked
Hi Phil - I don't have the LEDs in - couldn't get them to work for whatever reason. It appears my short was in the turnsignal/flasher unit. I fastened the trailer relay bracket back up under the dash today and tied up all the wiring looms again and everything is still working properly. For now I stuck a few 20 AGC fuses in the glove box and will see what happens. My car is pretty simple with points ignition so even if I blow the no. 4 fuse and knock out the charging system, I can probably drive for an hour or more just on the battery in daylight.
|

02-17-2015, 03:17 PM
|
 |
CC Member/Contributor
|
|
|
Join Date: Feb 2000
Location: Greenville,
SC
Cobra Make, Engine: 70 Shelby convertible, ERA-289 FIA, ERA 289 roadster hybrid, mystery Ford powered 2dr convertible
Posts: 12,810
|
|
Not Ranked
Dan,
I had the issue with ERA234 when I first bought it, drove me absolutely crazy. Went through all of the wiring looking for loose connections or breaks/pinches with no luck. Replaced the fuse holders with the later stainless units, still no luck, changed out the bulbs and cleaned all connections, no luck. Ended up being the turn signal switch, replaced that and went 6+ months without another problem.
Bill S.
__________________
Instead of being part of the problem, be part of a successful solution.
First time Cobra buyers-READ THIS
|

02-17-2015, 03:20 PM
|
 |
CC Member
|
|
|
Join Date: Apr 2009
Location: Little Rock area,
AR
Cobra Make, Engine: ERA Street Roadster #782 with 459 cu in FE KC engine, toploader, 3.31
Posts: 4,533
|
|
Not Ranked
Bill - I think that is my issue too. I'm hoping for the best but if and when it shorts out again I'll just replace it.
|

02-17-2015, 03:38 PM
|
 |
CC Member/Contributor
|
|
|
Join Date: Feb 2000
Location: Greenville,
SC
Cobra Make, Engine: 70 Shelby convertible, ERA-289 FIA, ERA 289 roadster hybrid, mystery Ford powered 2dr convertible
Posts: 12,810
|
|
Not Ranked
Quote:
Originally Posted by DanEC
Bill - I think that is my issue too. I'm hoping for the best but if and when it shorts out again I'll just replace it.
|
My advice is to order one and have it on the shelf for when you are ready to replace it.
Bill S.
__________________
Instead of being part of the problem, be part of a successful solution.
First time Cobra buyers-READ THIS
|

02-18-2015, 06:15 AM
|
 |
Senior Club Cobra Member
|
|
|
Join Date: May 2001
Location: Florence,
AL
Cobra Make, Engine: RCR GT 40 & 1966 Fairlane 390 5 speed
Posts: 4,511
|
|
Not Ranked
I've never worked on a ERA
what turn signal switch do they use?
Some of the Cobras I've worked on use a MG, others a VW and one a Ford Fairmont.
Dwight
__________________
''Life's tough.....it's even tougher if you're stupid.'' ~ John Wayne
"Happiness Is A Belt-Fed Weapon"
life's goal should be; "to be smarter than inanimate objects"
|

02-18-2015, 10:14 AM
|
 |
Half-Ass Member
|
|
|
Join Date: Jun 2005
Cobra Make, Engine: ERA #732, 428FE (447 CID), TKO600, Solid Flat Tappet Cam, Tons of Aluminum
Posts: 22,025
|
|
Not Ranked
Quote:
Originally Posted by Dwight
I've never worked on a ERA
what turn signal switch do they use?
Some of the Cobras I've worked on use a MG, others a VW and one a Ford Fairmont.
Dwight
|
It is a VW Switch, part #141 953 517F that looks like this:

|

02-18-2015, 11:06 AM
|
 |
Half-Ass Member
|
|
|
Join Date: Jun 2005
Cobra Make, Engine: ERA #732, 428FE (447 CID), TKO600, Solid Flat Tappet Cam, Tons of Aluminum
Posts: 22,025
|
|
Not Ranked
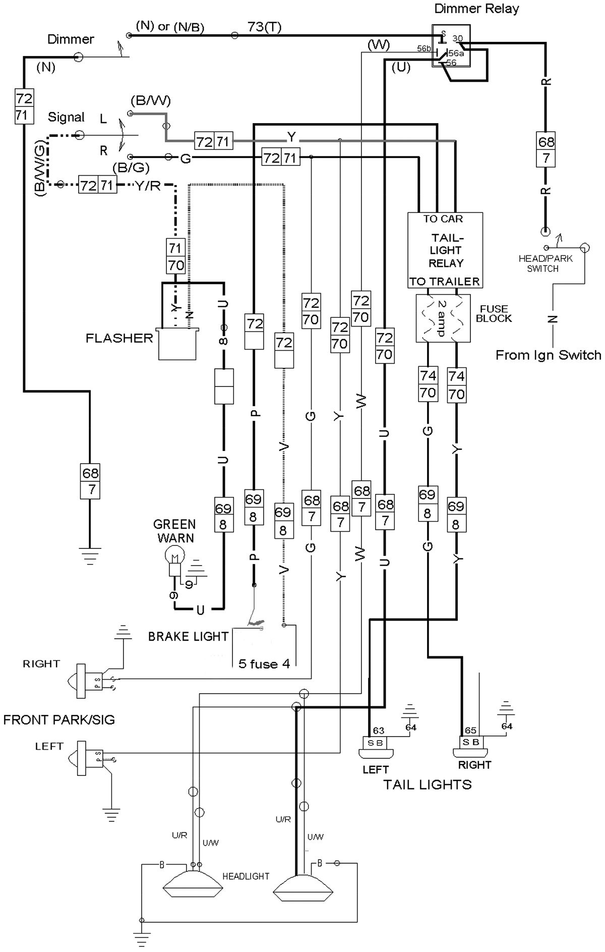
Here's a pic of the schematic that I had on my computer. I'm reasonably sure it applies to his ERA number. Fuses 6, 7, and 8 protect the parking lights, high beams, and low beams, respectively, but are not shown in this diagram. Likewise, the parking light circuit is not shown.

Last edited by patrickt; 10-31-2016 at 12:06 PM..
|
Posting Rules
|
You may not post new threads
You may not post replies
You may not post attachments
You may not edit your posts
HTML code is Off
|
|
|
All times are GMT -7. The time now is 12:34 AM.
Links monetized by VigLink
|